瑞诺MSD1伺服驱动器操作指南

霞舞
发布: 2025-10-18 08:17:01
原创
121人浏览过

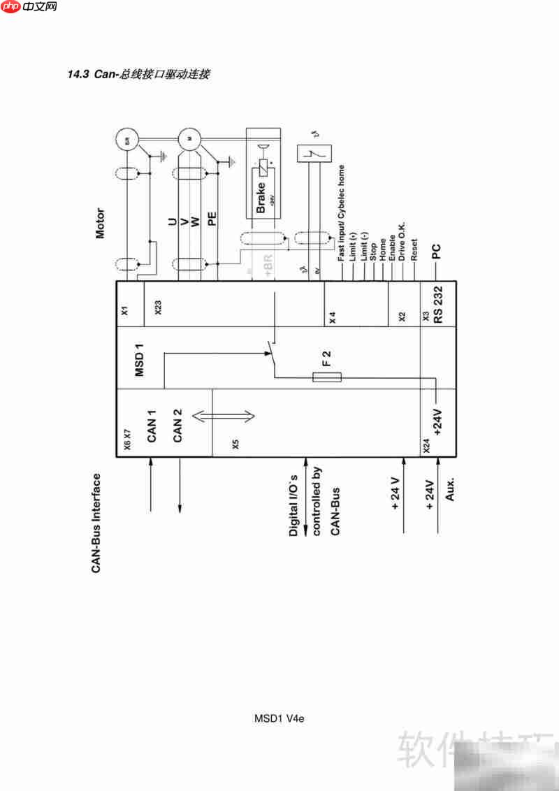
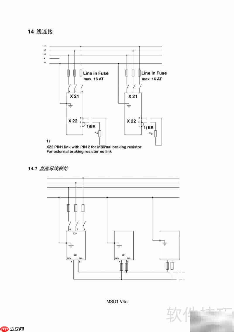
本文为瑞诺msd1系列交直流两用伺服驱动器的操作指南,全面介绍产品的使用流程及常见问题的应对措施。

瑞诺MSD1伺服驱动器操作指南

瑞诺MSD1伺服驱动器操作指南

瑞诺MSD1伺服驱动器操作指南

瑞诺MSD1伺服驱动器操作指南

Giiso写作机器人
Giiso写作机器人

Giiso写作机器人,让写作更简单

Giiso写作机器人 56
查看详情 Giiso写作机器人

瑞诺MSD1伺服驱动器操作指南

瑞诺MSD1伺服驱动器操作指南

瑞诺MSD1伺服驱动器操作指南

以上就是瑞诺MSD1伺服驱动器操作指南的详细内容,更多请关注php中文网其它相关文章!

相关标签:
驱动精灵
驱动精灵

驱动精灵基于驱动之家十余年的专业数据积累,驱动支持度高,已经为数亿用户解决了各种电脑驱动问题、系统故障,是目前有效的驱动软件,有需要的小伙伴快来保存下载体验吧!

下载
来源:php中文网
本文内容由网友自发贡献,版权归原作者所有,本站不承担相应法律责任。如您发现有涉嫌抄袭侵权的内容,请联系admin@php.cn
最新问题
开源免费商场系统广告
热门教程
更多>
最新下载
更多>
网站特效
网站源码
网站素材
前端模板
关于我们 免责申明 举报中心 意见反馈 讲师合作 广告合作 最新更新 English
php中文网:公益在线php培训,帮助PHP学习者快速成长!
关注服务号 技术交流群
PHP中文网订阅号
每天精选资源文章推送
PHP中文网APP
随时随地碎片化学习

Copyright 2014-2025 https://www.php.cn/ All Rights Reserved | php.cn | 湘ICP备2023035733号