手机拍照已经是日常工作生活中很常见的一种行为。本次比赛需要通过算法去除杂乱的拍摄背景并精准矿区文档边缘,通过对给定的真实场景下采集得到的带有拍摄背景的文件图片进行边缘智能识别,最终输出处理后的扫描结果图片。
☞☞☞AI 智能聊天, 问答助手, AI 智能搜索, 免费无限量使用 DeepSeek R1 模型☜☜☜

数据集基本涵盖了日常生活中常见的文档种类,包含了2797张图片,分别提供了文档mask标注png格式、文档边缘mask标注png格式、文档边缘关键点点对的标注方式。
本次赛题的目的是通过算法计算文档的四个拐点坐标,在提供的baseline(https://aistudio.baidu.com/aistudio/projectdetail/3861946) 里面是直接通过回归四个关键点的方式进行计算的,四个点的坐标直接从边缘关键点点对中提取。
# 从关键点点对中提取四个角点的坐标def get_corner(self, sites, corner_flag): # corner_flag 1:top_left 2:top_right 3:bottom_right 4:bottom_left
if corner_flag == 1: target_sites = [0,0]
elif corner_flag == 2 : target_sites = [1,0]
elif corner_flag == 3 : target_sites = [1,1]
elif corner_flag == 4 : target_sites = [0,1]
min_dis = 3
best_x = 0
best_y = 0
for site in sites: if abs(site[0]-target_sites[0])+abs(site[1]-target_sites[1])<min_dis: min_dis=abs(site[0]-target_sites[0])+abs(site[1]-target_sites[1]) best_x = site[0] best_y = site[1] return best_x, best_y通过baseline的总结和塞梯介绍的video,总结可以通过两种方式解决这个赛题。


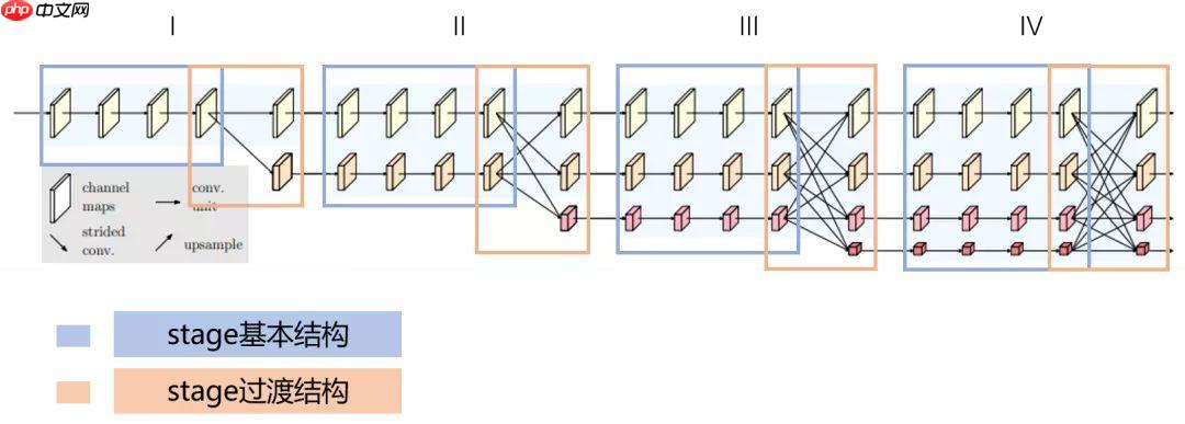
HRNet的backbone分成4个stage,每个stage分成蓝色框和橙色框两部分。其中蓝色框部分是每个stage的基本结构,由多个branch组成,HRNet中stage1蓝色框使用的是BottleNeck,stage2&3&4蓝色框使用的是BasicBlock。其中橙色框部分是每个stage的过渡结构,HRNet中stage1橙色框是一个TransitionLayer,stage2&3橙色框是一个FuseLayer和一个TransitionLayer的叠加,stage4橙色框是一个FuseLayer。

微软亚洲研究院提出的 OCR 方法的主要思想是显式地把像素分类问题转化成物体区域分类问题,这与语义分割问题的原始定义是一致的,即每一个像素的类别就是该像素属于的物体的类别,换言之,与 PSPNet 和 DeepLabv3+ 的上下文信息最主要的不同就在于 OCR 方法显式地增强了物体信息。 
OCR 方法的实现主要包括3个阶段,并给出每个阶段的矩阵表示(具体的计算过程可参考其开源的代码):
(1)从骨干网络得到特征表示,并估测一个简单粗略的语义分割结果作为 OCR 方法的一个输入 ,即软物体区域(Soft Object Regions),矩阵表示为bch*w;
(2)根据软物体区域(bchw)和网络最深层输入的特征表示(bkhw)表示计算出 K 组向量,即物体区域表示(Object Region Representations),其中每一个向量对应一个语义类别的特征表示,矩阵表示为bck*1;
(3)计算网络最深层输出的像素特征表示(Pixel Representations)与计算得到的物体区域特征表示(Object Region Representation)之间的关系矩阵(b*(hw)k),然后根据每个像素和物体区域特征表示在关系矩阵中的数值把物体区域特征加权求和,得到最后的物体上下文特征表示 OCR (Object Contextual Representation),矩阵表示为bkh*w 。
当把物体上下文特征表示 OCR (bkhw)与网络最深层输入的特征表示(bkhw)拼接之后作为上下文信息增强的特征表示(Augmented Representation)(b2kh*w),可以基于增强后的特征表示预测每个像素的语义类别,也可拼接上ASPP特征,即OCR+Features+ASPP,具体算法框架可以参考图5。
综上,OCR 可计算一组物体区域的特征表达,然后根据物体区域特征表示与像素特征表示之间的相似度将这些物体区域特征表示传播给每一个像素。
! wget https://staticsns.cdn.bcebos.com/amis/2022-4/1649731549425/train_datasets_document_detection_0411.zip! unzip -oq /home/aistudio/train_datasets_document_detection_0411.zip! rm -rf __MACOSX ! rm -rf /home/aistudio/train_datasets_document_detection_0411.zip
--2022-05-24 20:34:44-- https://staticsns.cdn.bcebos.com/amis/2022-4/1649731549425/train_datasets_document_detection_0411.zip 正在解析主机 staticsns.cdn.bcebos.com (staticsns.cdn.bcebos.com)... 221.195.34.35 正在连接 staticsns.cdn.bcebos.com (staticsns.cdn.bcebos.com)|221.195.34.35|:443... 已连接。 已发出 HTTP 请求,正在等待回应... 200 OK 长度: 258661599 (247M) [application/zip] 正在保存至: “train_datasets_document_detection_0411.zip” train_datasets_docu 100%[===================>] 246.68M 54.7MB/s in 4.4s 2022-05-24 20:34:49 (56.4 MB/s) - 已保存 “train_datasets_document_detection_0411.zip” [258661599/258661599])
创建文件夹,用来保存拆分后的数据
!mkdir -p data/train/images data/train/labels !mkdir -p data/val/images data/val/labels
为了适配paddleseg,需要将标注的png图片转成单通道的png图片,并且里面mask区域标注为1(文档区域)或者0(背景区域)
import osimport cv2import shutilfrom glob import globfrom tqdm import tqdm
idx = 0train_lst = []
val_lst = []
images = glob('train_datasets_document_detection_0411/images/*') # 获取所有图片for image in tqdm(images):
idx = idx + 1
name = os.path.basename(image)
label = image.replace('images', 'segments').replace('.jpg', '.png') # 获取mask分割图片
tp = 'val' if idx % 10 == 0 else 'train' # train/val拆分
label_img = cv2.imread(label) // 255 # 1为文档区域,0为背景区域
cv2.imwrite(f'data/{tp}/labels/{os.path.basename(label)}', label_img[:,:,0]) # 保存单通道图片
shutil.copy(image, f'data/{tp}/images') # shutil.copy(label, f'data/{tp}/labels')
if tp == 'train':
train_lst.append(name) else:
val_lst.append(name)# 生成paddleseg训练需要的train_list.txt和val_list.txtwith open('train_list.txt', 'w') as f: for fn in train_lst:
f.write(f"/home/aistudio/data/train/images/{fn} /home/aistudio/data/train/labels/{fn.replace('.jpg', '.png')}\n")
with open('val_list.txt', 'w') as f: for fn in val_lst:
f.write(f"/home/aistudio/data/val/images/{fn} /home/aistudio/data/val/labels/{fn.replace('.jpg', '.png')}\n")100%|██████████| 2797/2797 [00:13<00:00, 205.28it/s]
安装特定版本的paddleseg(2.5.0)
!pip install paddleseg==2.5.0
Looking in indexes: https://pypi.tuna.tsinghua.edu.cn/simple Collecting paddleseg==2.5.0 Downloading https://pypi.tuna.tsinghua.edu.cn/packages/17/76/84a07245cb5a0ceae11a9a94c5d2be8a2cec94b3a0b883676d166eeacf2a/paddleseg-2.5.0-py3-none-any.whl (295 kB) ━━━━━━━━━━━━━━━━━━━━━━━━━━━━━━━━━━━━━━━ 295.9/295.9 KB 1.0 MB/s eta 0:00:00a 0:00:01Requirement already satisfied: pyyaml>=5.1 in /opt/conda/envs/python35-paddle120-env/lib/python3.7/site-packages (from paddleseg==2.5.0) (5.1.2) Requirement already satisfied: scipy in /opt/conda/envs/python35-paddle120-env/lib/python3.7/site-packages (from paddleseg==2.5.0) (1.6.3) Requirement already satisfied: visualdl>=2.0.0 in /opt/conda/envs/python35-paddle120-env/lib/python3.7/site-packages (from paddleseg==2.5.0) (2.2.3) Requirement already satisfied: tqdm in /opt/conda/envs/python35-paddle120-env/lib/python3.7/site-packages (from paddleseg==2.5.0) (4.27.0) Requirement already satisfied: filelock in /opt/conda/envs/python35-paddle120-env/lib/python3.7/site-packages (from paddleseg==2.5.0) (3.0.12) Requirement already satisfied: prettytable in /opt/conda/envs/python35-paddle120-env/lib/python3.7/site-packages (from paddleseg==2.5.0) (0.7.2) Requirement already satisfied: sklearn in /opt/conda/envs/python35-paddle120-env/lib/python3.7/site-packages (from paddleseg==2.5.0) (0.0) Requirement already satisfied: opencv-python in /opt/conda/envs/python35-paddle120-env/lib/python3.7/site-packages (from paddleseg==2.5.0) (4.1.1.26) Requirement already satisfied: Pillow>=7.0.0 in /opt/conda/envs/python35-paddle120-env/lib/python3.7/site-packages (from visualdl>=2.0.0->paddleseg==2.5.0) (8.2.0) Requirement already satisfied: flask>=1.1.1 in /opt/conda/envs/python35-paddle120-env/lib/python3.7/site-packages (from visualdl>=2.0.0->paddleseg==2.5.0) (1.1.1) Requirement already satisfied: requests in /opt/conda/envs/python35-paddle120-env/lib/python3.7/site-packages (from visualdl>=2.0.0->paddleseg==2.5.0) (2.24.0) Requirement already satisfied: protobuf>=3.11.0 in /opt/conda/envs/python35-paddle120-env/lib/python3.7/site-packages (from visualdl>=2.0.0->paddleseg==2.5.0) (3.14.0) Requirement already satisfied: six>=1.14.0 in /opt/conda/envs/python35-paddle120-env/lib/python3.7/site-packages (from visualdl>=2.0.0->paddleseg==2.5.0) (1.16.0) Requirement already satisfied: bce-python-sdk in /opt/conda/envs/python35-paddle120-env/lib/python3.7/site-packages (from visualdl>=2.0.0->paddleseg==2.5.0) (0.8.53) Requirement already satisfied: pandas in /opt/conda/envs/python35-paddle120-env/lib/python3.7/site-packages (from visualdl>=2.0.0->paddleseg==2.5.0) (1.1.5) Requirement already satisfied: flake8>=3.7.9 in /opt/conda/envs/python35-paddle120-env/lib/python3.7/site-packages (from visualdl>=2.0.0->paddleseg==2.5.0) (4.0.1) Requirement already satisfied: pre-commit in /opt/conda/envs/python35-paddle120-env/lib/python3.7/site-packages (from visualdl>=2.0.0->paddleseg==2.5.0) (1.21.0) Requirement already satisfied: shellcheck-py in /opt/conda/envs/python35-paddle120-env/lib/python3.7/site-packages (from visualdl>=2.0.0->paddleseg==2.5.0) (0.7.1.1) Requirement already satisfied: numpy in /opt/conda/envs/python35-paddle120-env/lib/python3.7/site-packages (from visualdl>=2.0.0->paddleseg==2.5.0) (1.19.5) Requirement already satisfied: Flask-Babel>=1.0.0 in /opt/conda/envs/python35-paddle120-env/lib/python3.7/site-packages (from visualdl>=2.0.0->paddleseg==2.5.0) (1.0.0) Requirement already satisfied: matplotlib in /opt/conda/envs/python35-paddle120-env/lib/python3.7/site-packages (from visualdl>=2.0.0->paddleseg==2.5.0) (2.2.3) Requirement already satisfied: scikit-learn in /opt/conda/envs/python35-paddle120-env/lib/python3.7/site-packages (from sklearn->paddleseg==2.5.0) (0.24.2) Requirement already satisfied: importlib-metadata<4.3 in /opt/conda/envs/python35-paddle120-env/lib/python3.7/site-packages (from flake8>=3.7.9->visualdl>=2.0.0->paddleseg==2.5.0) (4.2.0) Requirement already satisfied: pycodestyle<2.9.0,>=2.8.0 in /opt/conda/envs/python35-paddle120-env/lib/python3.7/site-packages (from flake8>=3.7.9->visualdl>=2.0.0->paddleseg==2.5.0) (2.8.0) Requirement already satisfied: pyflakes<2.5.0,>=2.4.0 in /opt/conda/envs/python35-paddle120-env/lib/python3.7/site-packages (from flake8>=3.7.9->visualdl>=2.0.0->paddleseg==2.5.0) (2.4.0) Requirement already satisfied: mccabe<0.7.0,>=0.6.0 in /opt/conda/envs/python35-paddle120-env/lib/python3.7/site-packages (from flake8>=3.7.9->visualdl>=2.0.0->paddleseg==2.5.0) (0.6.1) Requirement already satisfied: itsdangerous>=0.24 in /opt/conda/envs/python35-paddle120-env/lib/python3.7/site-packages (from flask>=1.1.1->visualdl>=2.0.0->paddleseg==2.5.0) (1.1.0) Requirement already satisfied: click>=5.1 in /opt/conda/envs/python35-paddle120-env/lib/python3.7/site-packages (from flask>=1.1.1->visualdl>=2.0.0->paddleseg==2.5.0) (7.0) Requirement already satisfied: Jinja2>=2.10.1 in /opt/conda/envs/python35-paddle120-env/lib/python3.7/site-packages (from flask>=1.1.1->visualdl>=2.0.0->paddleseg==2.5.0) (3.0.0) Requirement already satisfied: Werkzeug>=0.15 in /opt/conda/envs/python35-paddle120-env/lib/python3.7/site-packages (from flask>=1.1.1->visualdl>=2.0.0->paddleseg==2.5.0) (0.16.0) Requirement already satisfied: Babel>=2.3 in /opt/conda/envs/python35-paddle120-env/lib/python3.7/site-packages (from Flask-Babel>=1.0.0->visualdl>=2.0.0->paddleseg==2.5.0) (2.8.0) Requirement already satisfied: pytz in /opt/conda/envs/python35-paddle120-env/lib/python3.7/site-packages (from Flask-Babel>=1.0.0->visualdl>=2.0.0->paddleseg==2.5.0) (2019.3) Requirement already satisfied: pycryptodome>=3.8.0 in /opt/conda/envs/python35-paddle120-env/lib/python3.7/site-packages (from bce-python-sdk->visualdl>=2.0.0->paddleseg==2.5.0) (3.9.9) Requirement already satisfied: future>=0.6.0 in /opt/conda/envs/python35-paddle120-env/lib/python3.7/site-packages (from bce-python-sdk->visualdl>=2.0.0->paddleseg==2.5.0) (0.18.0) Requirement already satisfied: python-dateutil>=2.1 in /opt/conda/envs/python35-paddle120-env/lib/python3.7/site-packages (from matplotlib->visualdl>=2.0.0->paddleseg==2.5.0) (2.8.2) Requirement already satisfied: cycler>=0.10 in /opt/conda/envs/python35-paddle120-env/lib/python3.7/site-packages (from matplotlib->visualdl>=2.0.0->paddleseg==2.5.0) (0.10.0) Requirement already satisfied: kiwisolver>=1.0.1 in /opt/conda/envs/python35-paddle120-env/lib/python3.7/site-packages (from matplotlib->visualdl>=2.0.0->paddleseg==2.5.0) (1.1.0) Requirement already satisfied: pyparsing!=2.0.4,!=2.1.2,!=2.1.6,>=2.0.1 in /opt/conda/envs/python35-paddle120-env/lib/python3.7/site-packages (from matplotlib->visualdl>=2.0.0->paddleseg==2.5.0) (3.0.8) Requirement already satisfied: identify>=1.0.0 in /opt/conda/envs/python35-paddle120-env/lib/python3.7/site-packages (from pre-commit->visualdl>=2.0.0->paddleseg==2.5.0) (1.4.10) Requirement already satisfied: aspy.yaml in /opt/conda/envs/python35-paddle120-env/lib/python3.7/site-packages (from pre-commit->visualdl>=2.0.0->paddleseg==2.5.0) (1.3.0) Requirement already satisfied: toml in /opt/conda/envs/python35-paddle120-env/lib/python3.7/site-packages (from pre-commit->visualdl>=2.0.0->paddleseg==2.5.0) (0.10.0) Requirement already satisfied: nodeenv>=0.11.1 in /opt/conda/envs/python35-paddle120-env/lib/python3.7/site-packages (from pre-commit->visualdl>=2.0.0->paddleseg==2.5.0) (1.3.4) Requirement already satisfied: cfgv>=2.0.0 in /opt/conda/envs/python35-paddle120-env/lib/python3.7/site-packages (from pre-commit->visualdl>=2.0.0->paddleseg==2.5.0) (2.0.1) Requirement already satisfied: virtualenv>=15.2 in /opt/conda/envs/python35-paddle120-env/lib/python3.7/site-packages (from pre-commit->visualdl>=2.0.0->paddleseg==2.5.0) (16.7.9) Requirement already satisfied: urllib3!=1.25.0,!=1.25.1,<1.26,>=1.21.1 in /opt/conda/envs/python35-paddle120-env/lib/python3.7/site-packages (from requests->visualdl>=2.0.0->paddleseg==2.5.0) (1.25.6) Requirement already satisfied: chardet<4,>=3.0.2 in /opt/conda/envs/python35-paddle120-env/lib/python3.7/site-packages (from requests->visualdl>=2.0.0->paddleseg==2.5.0) (3.0.4) Requirement already satisfied: certifi>=2017.4.17 in /opt/conda/envs/python35-paddle120-env/lib/python3.7/site-packages (from requests->visualdl>=2.0.0->paddleseg==2.5.0) (2019.9.11) Requirement already satisfied: idna<3,>=2.5 in /opt/conda/envs/python35-paddle120-env/lib/python3.7/site-packages (from requests->visualdl>=2.0.0->paddleseg==2.5.0) (2.8) Requirement already satisfied: joblib>=0.11 in /opt/conda/envs/python35-paddle120-env/lib/python3.7/site-packages (from scikit-learn->sklearn->paddleseg==2.5.0) (0.14.1) Requirement already satisfied: threadpoolctl>=2.0.0 in /opt/conda/envs/python35-paddle120-env/lib/python3.7/site-packages (from scikit-learn->sklearn->paddleseg==2.5.0) (2.1.0) Requirement already satisfied: zipp>=0.5 in /opt/conda/envs/python35-paddle120-env/lib/python3.7/site-packages (from importlib-metadata<4.3->flake8>=3.7.9->visualdl>=2.0.0->paddleseg==2.5.0) (3.8.0) Requirement already satisfied: typing-extensions>=3.6.4 in /opt/conda/envs/python35-paddle120-env/lib/python3.7/site-packages (from importlib-metadata<4.3->flake8>=3.7.9->visualdl>=2.0.0->paddleseg==2.5.0) (4.2.0) Requirement already satisfied: MarkupSafe>=2.0.0rc2 in /opt/conda/envs/python35-paddle120-env/lib/python3.7/site-packages (from Jinja2>=2.10.1->flask>=1.1.1->visualdl>=2.0.0->paddleseg==2.5.0) (2.0.1) Requirement already satisfied: setuptools in /opt/conda/envs/python35-paddle120-env/lib/python3.7/site-packages (from kiwisolver>=1.0.1->matplotlib->visualdl>=2.0.0->paddleseg==2.5.0) (56.2.0) Installing collected packages: paddleseg Successfully installed paddleseg-2.5.0WARNING: You are using pip version 22.0.4; however, version 22.1.1 is available. You should consider upgrading via the '/opt/conda/envs/python35-paddle120-env/bin/python -m pip install --upgrade pip' command.
训练时,采用随机水平翻转、随机像素替换、随即旋转、随机模糊策略、随机尺度变换、resize和normalize变换;
在推理和测试阶段,只采用resize和normalize变换。
#创建Transformimport paddleseg.transforms as Tfrom paddleseg.datasets import OpticDiscSeg,Dataset
train_transforms = [
T.RandomHorizontalFlip(), # 水平翻转
T.RandomDistort(), # 随机扭曲
T.RandomRotation(max_rotation = 10,im_padding_value =(0,0,0),label_padding_value = 0), # 随机旋转
T.RandomBlur(), # 随机模糊
T.RandomScaleAspect(min_scale = 0.8, aspect_ratio = 0.5), # 随机缩放
T.Resize(target_size=(512, 512)),
T.Normalize() # 归一化 mean Default: [0.5, 0.5, 0.5] std Default: [0.5, 0.5, 0.5].]
val_transforms = [
T.Resize(target_size=(512, 512)),
T.Normalize()
]
test_transforms = [
T.Resize(target_size=(512, 512)),
T.Normalize()
]#创建DataSetdataset_root = '/home/aistudio/data'train_path = '/home/aistudio/train_list.txt'val_path = '/home/aistudio/val_list.txt'# 构建训练集train_dataset = Dataset( # Dataset为paddle默认的数据加载方式,如有需要可以重写此类,这里不需要
dataset_root=dataset_root,
train_path=train_path,
transforms=train_transforms,
num_classes=2, # 0/1两种类别
mode='train'
)# 构建验证集val_dataset = Dataset(
dataset_root=dataset_root,
val_path=val_path,
transforms=val_transforms,
num_classes=2,
mode='val'
)第一次可能执行不成功,需要再执行一次
# 预览数据import matplotlib.pyplot as pltimport numpy as np
plt.figure(figsize=(16,16))for i in range(1,6,2):
img, label = train_dataset[100]
label = label * 255
img = np.transpose(img, (1,2,0))
img = img*0.5 + 0.5
plt.subplot(3,2,i),plt.imshow(img,'gray'),plt.title('img'),plt.xticks([]),plt.yticks([])
plt.subplot(3,2,i+1),plt.imshow(label,'gray'),plt.title('label'),plt.xticks([]),plt.yticks([])
plt.show()/opt/conda/envs/python35-paddle120-env/lib/python3.7/site-packages/matplotlib/image.py:425: DeprecationWarning: np.asscalar(a) is deprecated since NumPy v1.16, use a.item() instead a_min = np.asscalar(a_min.astype(scaled_dtype)) /opt/conda/envs/python35-paddle120-env/lib/python3.7/site-packages/matplotlib/image.py:426: DeprecationWarning: np.asscalar(a) is deprecated since NumPy v1.16, use a.item() instead a_max = np.asscalar(a_max.astype(scaled_dtype))
<Figure size 1152x1152 with 2 Axes>
<Figure size 432x288 with 2 Axes>
<Figure size 432x288 with 2 Axes>
from paddleseg.models import OCRNet, UNetfrom paddleseg.models import HRNet_W48 backbone = HRNet_W48(pretrained="https://bj.bcebos.com/paddleseg/dygraph/hrnet_w48_ssld.tar.gz") model = OCRNet(num_classes=2, backbone=backbone, backbone_indices=[0])
W0524 20:35:36.742081 165 gpu_context.cc:278] Please NOTE: device: 0, GPU Compute Capability: 8.0, Driver API Version: 11.2, Runtime API Version: 11.2 W0524 20:35:36.745203 165 gpu_context.cc:306] device: 0, cuDNN Version: 8.2.
2022-05-24 20:35:41 [INFO] Loading pretrained model from https://bj.bcebos.com/paddleseg/dygraph/hrnet_w48_ssld.tar.gz Connecting to https://bj.bcebos.com/paddleseg/dygraph/hrnet_w48_ssld.tar.gz Downloading hrnet_w48_ssld.tar.gz [==================================================] 100.00% Uncompress hrnet_w48_ssld.tar.gz [==================================================] 100.00% 2022-05-24 20:36:03 [INFO] There are 1525/1525 variables loaded into HRNet.
优化器采用paddle自带的Momentum;
调度器采用余弦模拟退火,T_max为总训练次数;(注:通过计算,可以知道lr最后会下降到什么问题,也有可能restart,让T_max==max_ter,主要是让最后学习率下降接近于0)
OCRNet的loss需要采用2个loss,这里采用带有难例挖掘的交叉熵损失和Dice损失,二者权重为1和0.2,表示更加关注带有难例的交叉熵损失。
from paddleseg.models.losses import CrossEntropyLoss,DiceLoss,LovaszHingeLoss, MixedLoss, OhemCrossEntropyLossimport paddle# 设置学习率 base_lr = 0.002lr = paddle.optimizer.lr.CosineAnnealingDecay(learning_rate=base_lr, T_max=30000, verbose=False)#参数分别为初始学习率,训练的上限轮数,verbose若为true则每一轮更新时会输出一条信息# 设置优化器(这里选的是momentnum优化器)optimizer = paddle.optimizer.Momentum(lr, parameters=model.parameters(), momentum=0.9, weight_decay=4.0e-5)#参数分别为学习率,优化器需要优化的参数,动量因子,正则化方法(可以是float类型的L2正则化系数或者正则化策略)# 组合dice损失函数(混合损失运算)losses = {}
losses['types'] = [OhemCrossEntropyLoss(), DiceLoss()]
losses['coef'] = [1, 0.2]采用paddleseg自带的train函数启动训练
from paddleseg.core import train
train(
model=model, # 网络模型
train_dataset=train_dataset, # 填写训练集的dataset
val_dataset=val_dataset, # 填写验证集的dataset
optimizer=optimizer, # 优化器
save_dir='/home/aistudio/output', # 保存路径
iters=30000, # 训练次数
batch_size=16, # 每批处理图片的张数
save_interval=3000, # 保存的间隔次数
log_iters=100, # 日志打印间隔
num_workers=0, # 异步加载数据的进程数目
losses=losses, # 传入loss函数
use_vdl=True) # 是否使用visualDL,visualDL是飞桨可视化分析工具,以丰富的图表呈现训练参数变化趋势、模型结构、数据样本、高维数据分布等/opt/conda/envs/python35-paddle120-env/lib/python3.7/site-packages/paddle/nn/layer/norm.py:654: UserWarning: When training, we now always track global mean and variance. "When training, we now always track global mean and variance.") /opt/conda/envs/python35-paddle120-env/lib/python3.7/site-packages/paddle/fluid/dygraph/math_op_patch.py:278: UserWarning: The dtype of left and right variables are not the same, left dtype is paddle.float32, but right dtype is paddle.int64, the right dtype will convert to paddle.float32 format(lhs_dtype, rhs_dtype, lhs_dtype))
2022-05-24 17:54:44 [INFO] [TRAIN] epoch: 1, iter: 100/30000, loss: 0.7298, lr: 0.002000, batch_cost: 1.6588, reader_cost: 0.00992, ips: 9.6454 samples/sec | ETA 13:46:38
测试的结果会被保存在/home/aistudio/output/results路径下
from paddleseg.core import predict
transforms = T.Compose([
T.Resize(target_size=(512, 512)),
T.Normalize()
])from paddleseg.models import OCRNet, UNetfrom paddleseg.models import HRNet_W48
backbone = HRNet_W48(pretrained="https://bj.bcebos.com/paddleseg/dygraph/hrnet_w48_ssld.tar.gz")
model = OCRNet(num_classes=2, backbone=backbone, backbone_indices=[0])# 生成图片列表image_list = []with open('/home/aistudio/val_list.txt' ,'r') as f: for line in f.readlines():
image_list.append(line.split()[0])
predict(
model, # 保存的模型文件
model_path = '/home/aistudio/output/best_model/model.pdparams',
transforms=transforms,
image_list=image_list,
save_dir='/home/aistudio/output/results',
)2022-05-24 20:36:08 [INFO] Loading pretrained model from https://bj.bcebos.com/paddleseg/dygraph/hrnet_w48_ssld.tar.gz 2022-05-24 20:36:11 [INFO] There are 1525/1525 variables loaded into HRNet. 2022-05-24 20:36:11 [INFO] Loading pretrained model from /home/aistudio/output/best_model/model.pdparams 2022-05-24 20:36:12 [INFO] There are 1583/1583 variables loaded into OCRNet. 2022-05-24 20:36:12 [INFO] Start to predict...
279/279 [==============================] - 57s 204ms/step
! rm -rf train_datasets_document_detection_0411/ ! rm -rf output/iter* ! rm -rf output/results ! rm -rf data/train* data/val* ! rm *.txt
rm: 无法删除'*.txt': 没有那个文件或目录
以上就是百度网盘AI大赛-文档检测优化赛B榜第一名方案的详细内容,更多请关注php中文网其它相关文章!
每个人都需要一台速度更快、更稳定的 PC。随着时间的推移,垃圾文件、旧注册表数据和不必要的后台进程会占用资源并降低性能。幸运的是,许多工具可以让 Windows 保持平稳运行。
Copyright 2014-2025 https://www.php.cn/ All Rights Reserved | php.cn | 湘ICP备2023035733号